欧美日韩国产综合高清-国产白丝亚洲女人久久久久-久久久久亚洲精美免费视频-素人视频在线观看免费

您的位置:主頁    產品中心 > 齒輪減速機 >    ZLH軟齒面圓柱齒輪減速機
0
購物車
清除全部
期待您的咨詢
*
*
*
ZLH軟齒面圓柱齒輪減速機
我們能為您做什么
*
這是一個必填項
您需要的總數量
*
這是一個必填項
這是一個必填項
電子郵件格式錯誤
由于電子郵件可能不穩(wěn)定,為避免錯過我們的信息,請?zhí)峁┠碾娫捥柎a,以便我們能夠通過其他方式與您聯(lián)系。 *
這是一個必填項
電話格式有誤
提交
/uploadfile/202411/fb89231bd101af4.jpg
產品詳情

產品概述

ZLH型減速器主要用于起重、礦山、通用化工、紡織輕工等行業(yè),其適用條件如下:
減速器齒輪傳動圓周速度不大于4米/秒
減速器高速軸的轉速不大于1500轉/分
減速器用于正反兩向運轉。當帶逆止器時,以正對輸出軸端看的方向為準。
減速器工作環(huán)境溫度為-40℃到+40℃
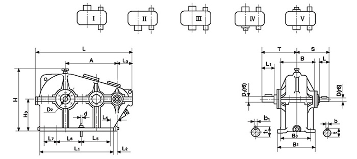
減速器有九種傳動比、九種配置型式和三種低速軸軸端型式
結構概況及主要另部件
  本機結構型式為兩級三軸圓柱斜齒水平分割全封式。潤滑油盛于減速機之內部,在主動軸和中間軸上設有擋油板,各軸支點均用流動軸承,其軸向間隙可用內部調整環(huán)調整之,本機上部有檢查蓋,下部有油標指針和排廢油用的油塞。
  齒輪和軸均用優(yōu)異炭素鋼制造,并經調質處理,齒輪多用鑄鋼制造,并經正火處理,箱體材料為灰鑄鐵—HT200并經時效處理、齒輪按8級精度制造的滾切斜齒,傾斜角為9°22′兩配偶輪齒數和為148牙。
外形及安裝尺寸
ZLH軟齒面圓柱齒輪減速機
ZLH參數

立即咨詢
姓名*
電話*
郵箱
公司名稱
留言內容*
驗證碼*
>
其他產品